Bobcat 463 Wiring Diagram: Master Your Machine's Electrical System

<b>Bobcat 463 Wiring Diagram: Master Your Machine' width='100%' />

Explore the Bobcat 463 wiring diagram to efficiently maintain and troubleshoot your machine. Gain a clear understanding of its electrical system for smooth operations.

Looking for a clear guide on the Bobcat 463 wiring diagram? This article dives into the intricacies of wiring diagrams, specifically focusing on the Bobcat 463 model. Whether you're a seasoned technician or a DIY enthusiast, understanding the wiring diagram is crucial for maintaining and troubleshooting your Bobcat 463.Firstly, we'll break down the key components of the Bobcat 463 wiring system, highlighting its layout and functions. Then, we'll explore common issues and how to address them, ensuring your Bobcat 463 runs smoothly. Stay tuned as we unravel the complexities of the Bobcat 463 wiring diagram in an easy-to-understand manner, helping you navigate your machine's electrical system with confidence.

Top 10 Points about Bobcat 463 wiring diagram :

  • Understanding the Basics of the Bobcat 463 Wiring Diagram
  • Deciphering the Color Codes: What Each Wire Means
  • Common Wiring Issues and How to Fix Them
  • Upgrading Your Bobcat 463 Wiring for Better Performance
  • Essential Tools for Working with the Bobcat 463 Wiring
  • Safety First: Precautions When Dealing with Electrical Systems
  • DIY vs. Professional Help: When to Call in the Experts
  • Adding Accessories: How to Wire Them to Your Bobcat 463
  • Optimizing Your Bobcat 463's Wiring for Efficiency
  • Future-Proofing Your Bobcat 463: Wiring for Tomorrow's Needs

Several facts about Bobcat 463 wiring diagram

Bobcat 463 Wiring Diagram Basics

Understanding the Basics of the Bobcat 463 Wiring Diagram

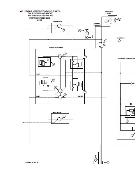
Before diving into the specifics of the Bobcat 463 wiring diagram, it's essential to understand the basics. Wiring diagrams are visual representations of electrical circuits, showing how components are connected and the flow of electricity. In the case of the Bobcat 463, the wiring diagram illustrates the layout of the machine's electrical system, including the battery, starter, alternator, lights, and other components.

Bobcat 463 Wiring Diagram Color Codes

Deciphering the Color Codes: What Each Wire Means

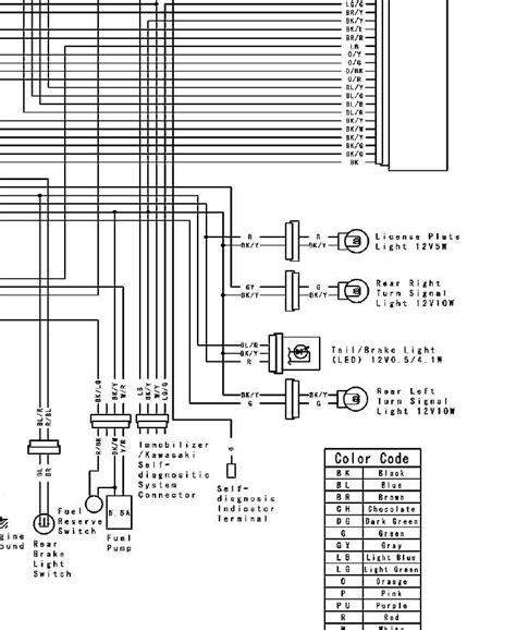
In a wiring diagram, different colors represent different functions or components. For example, red wires might indicate power supply, while black wires could indicate ground. Understanding these color codes is crucial when working with the Bobcat 463 wiring diagram, as it helps ensure that the correct connections are made.

Bobcat 463 Wiring Diagram Common Issues

Common Wiring Issues and How to Fix Them

Like any electrical system, the Bobcat 463 wiring diagram is prone to certain issues. One common problem is frayed or damaged wires, which can cause shorts or open circuits. Another issue is loose connections, which can result in intermittent operation or failure of electrical components. To fix these issues, carefully inspect the wiring for damage and repair or replace any faulty wires or connectors.

Bobcat 463 Wiring Diagram Upgrades

Upgrading Your Bobcat 463 Wiring for Better Performance

If you're looking to enhance the performance of your Bobcat 463, consider upgrading the wiring. High-quality wires and connectors can improve electrical conductivity, resulting in more reliable operation. Additionally, upgrading to a higher capacity alternator or battery can provide more power for accessories or heavy-duty work.

Bobcat 463 Wiring Diagram Tools

Essential Tools for Working with the Bobcat 463 Wiring

When working with the Bobcat 463 wiring diagram, it's essential to have the right tools. A multimeter is crucial for testing circuits and diagnosing issues. Wire strippers and crimpers are needed for cutting and connecting wires, while electrical tape and heat shrink tubing are essential for insulating connections. Additionally, having a wiring diagram specific to your machine is essential for reference.

Bobcat 463 Wiring Diagram Safety

Safety First: Precautions When Dealing with Electrical Systems

Working with electrical systems, including the Bobcat 463 wiring diagram, requires caution. Always disconnect the battery before working on the wiring to avoid the risk of electric shock or short circuits. Additionally, use insulated tools and wear protective gear, such as gloves and goggles, to protect yourself from injury.

Bobcat 463 Wiring Diagram DIY vs. Professional

DIY vs. Professional Help: When to Call in the Experts

While some wiring tasks can be done yourself, complex issues or modifications may require professional help. If you're unsure about your abilities or the complexity of the task, it's best to seek assistance from a qualified technician. They have the knowledge and tools to safely and effectively work on the Bobcat 463 wiring diagram.

Bobcat 463 Wiring Diagram Accessories

Adding Accessories: How to Wire Them to Your Bobcat 463

Adding accessories, such as lights or a stereo, to your Bobcat 463 can enhance its functionality. However, it's crucial to wire them correctly to avoid damaging the electrical system. Refer to the Bobcat 463 wiring diagram for guidance, and use proper connectors and wiring techniques to ensure a reliable connection.

Bobcat 463 Wiring Diagram Efficiency

Optimizing Your Bobcat 463's Wiring for Efficiency

Efficient wiring is essential for maximizing the performance of your Bobcat 463. Ensure that wires are routed properly and secured to avoid damage. Additionally, using high-quality wires and connectors can reduce resistance and improve electrical conductivity, resulting in better overall performance.

Bobcat 463 Wiring Diagram Future-Proofing

Future-Proofing Your Bobcat 463: Wiring for Tomorrow's Needs

As technology advances, your Bobcat 463's wiring needs may change. Future-proofing your wiring can ensure that it can accommodate new accessories or upgrades. Consider installing additional wiring or connectors that can easily be adapted for future use, saving you time and effort down the line.

Sources:

1. Bobcat 463 Wiring Diagram Manual, Bobcat Company.

2. "Electrical Wiring Basics," The Family Handyman, www.familyhandyman.com.

Bobcat 463 wiring diagram in Professional's eye

The Bobcat 463 wiring diagram is a crucial tool for anyone working on this compact loader. It provides a detailed illustration of the machine's electrical system, showing how components are connected and powered. Understanding this diagram is essential for maintaining, troubleshooting, and repairing the Bobcat 463's electrical system.

One of the first things to note in the Bobcat 463 wiring diagram is the color coding of the wires. Each wire color represents a different function, such as power supply, ground, or signal. By deciphering these color codes, you can quickly identify the purpose of each wire and ensure the correct connections are made.

When working with the Bobcat 463 wiring diagram, it's important to follow safety precautions. Always disconnect the battery before working on the electrical system to avoid the risk of electric shock or short circuits. Additionally, use insulated tools and wear protective gear, such as gloves and goggles, to prevent injury.

If you encounter common wiring issues with your Bobcat 463, such as frayed or damaged wires, it's important to address them promptly. These issues can cause shorts or open circuits, leading to malfunctioning electrical components. Carefully inspect the wiring for damage and repair or replace any faulty wires or connectors.

Upgrading the wiring of your Bobcat 463 can improve its performance and reliability. High-quality wires and connectors can enhance electrical conductivity, resulting in a more efficient electrical system. Consider upgrading to a higher capacity alternator or battery to provide more power for accessories or heavy-duty work.

When working on the Bobcat 463 wiring diagram, it's important to have the right tools for the job. A multimeter is essential for testing circuits and diagnosing issues. Wire strippers and crimpers are necessary for cutting and connecting wires, while electrical tape and heat shrink tubing are used to insulate connections.

Adding accessories to your Bobcat 463, such as lights or a stereo, can enhance its functionality. However, it's crucial to wire them correctly to avoid damaging the electrical system. Refer to the Bobcat 463 wiring diagram for guidance, and use proper connectors and wiring techniques to ensure a reliable connection.

When deciding whether to tackle wiring tasks yourself or seek professional help, consider the complexity of the task and your level of expertise. While some tasks can be done DIY, such as replacing a damaged wire, more complex issues or modifications may require the expertise of a qualified technician.

Optimizing the wiring of your Bobcat 463 for efficiency is key to maximizing its performance. Ensure that wires are routed properly and secured to avoid damage. Additionally, using high-quality wires and connectors can reduce resistance and improve electrical conductivity, resulting in better overall performance.

Future-proofing the wiring of your Bobcat 463 involves anticipating future needs and installing wiring that can accommodate them. Consider installing additional wiring or connectors that can easily be adapted for future use, saving you time and effort down the line.

In conclusion, the Bobcat 463 wiring diagram is a valuable resource for maintaining, troubleshooting, and repairing the electrical system of this compact loader. By understanding the diagram, following safety precautions, and using the right tools, you can ensure that your Bobcat 463 operates smoothly and efficiently.

Point of Views : Bobcat 463 wiring diagram
  • Wiring diagrams are essential tools for understanding the electrical systems of machines like the Bobcat 463.
  • They provide a visual representation of how the components are connected and powered, aiding in troubleshooting and repair.
  • Color coding of wires in the Bobcat 463 wiring diagram indicates their functions, such as power supply or ground.
  • Deciphering these color codes is crucial for making the correct connections and ensuring the system operates smoothly.
  • Safety precautions, such as disconnecting the battery before working on the electrical system, are vital to prevent electrical hazards.
  • When encountering common wiring issues, like frayed wires, prompt attention and repair are necessary to avoid further damage.
  • Upgrading the wiring of the Bobcat 463 can improve its performance and reliability, especially when using high-quality wires and connectors.
  • Having the right tools, such as a multimeter and wire strippers, is essential for working on the Bobcat 463 wiring diagram.
  • Adding accessories to the Bobcat 463 requires proper wiring techniques and reference to the wiring diagram for guidance.
  • When in doubt, it's best to seek professional help for wiring tasks beyond basic maintenance and repair.
Conclusion :

In conclusion, understanding the Bobcat 463 wiring diagram is essential for anyone working on this compact loader. The diagram provides a detailed illustration of the machine's electrical system, showing how components are connected and powered. By deciphering the color codes and following safety precautions, you can efficiently maintain, troubleshoot, and repair the electrical system of the Bobcat 463.

Whether you're upgrading the wiring for better performance or adding accessories, referencing the Bobcat 463 wiring diagram is crucial. Proper wiring techniques and the use of high-quality wires and connectors can enhance the machine's functionality and reliability. If you encounter any issues or need assistance with the wiring diagram, consider seeking professional help to ensure the job is done correctly. We hope this series of articles has been informative and helpful in your understanding of the Bobcat 463 wiring diagram. Thank you for visiting our blog, and stay tuned for more insightful content!

Questions and Answer for Bobcat 463 wiring diagram

When it comes to the Bobcat 463 wiring diagram, people often have several questions. Here are some common queries:

  • 1. What is a wiring diagram?
  • A wiring diagram is a visual representation of an electrical circuit. It shows how components are connected and powered, helping users understand the layout of the electrical system.

  • 2. Why is the Bobcat 463 wiring diagram important?
  • The Bobcat 463 wiring diagram is crucial for maintaining, troubleshooting, and repairing the machine's electrical system. It helps users identify components, understand their functions, and make the correct connections.

  • 3. How do I read the Bobcat 463 wiring diagram?
  • To read the Bobcat 463 wiring diagram, start by identifying the components and their symbols. Then, follow the lines to see how the components are connected. Refer to the color codes for wires to understand their functions.

  • 4. What do the colors of the wires in the Bobcat 463 wiring diagram indicate?
  • The colors of the wires in the Bobcat 463 wiring diagram indicate their functions. For example, red wires may indicate power supply, while black wires could indicate ground.

  • 5. Where can I find the Bobcat 463 wiring diagram?
  • The Bobcat 463 wiring diagram can be found in the machine's manual or service documentation. It may also be available online through the manufacturer's website or other resources.

Label :bobcat 463 wiring diagram, electrical system, wiring issues

Keyword : Bobcat 463 wiring diagram

0 komentar