Bobcat 6 Wiring Diagram: Deciphering the Circuitry of Innovation

<b>Bobcat 6 Wiring Diagram: Deciphering the Circuitry of Innovation</b>

Meta Description: Discover the intricacies of the Bobcat 6 wiring diagram and empower yourself to navigate electrical circuits with confidence and clarity.

Bobcat 6 Wiring Diagram: Unveiling the Circuit MysteriesIn the world of electrical engineering, the Bobcat 6 wiring diagram stands as a blueprint for connectivity, a map of electrons' journey through the circuits of innovation. This article delves into the intricacies of wiring diagram topics, shedding light on the complexities that underpin our modern technological marvels. From the graceful dance of electrons to the symphony of components, each diagram tells a story of precision and purpose.Unlocking the Potential: Understanding the Bobcat 6 Wiring DiagramEmbark on a journey of discovery as we unravel the secrets of the Bobcat 6 wiring diagram. Learn how to decipher its intricate patterns, understand its language of lines and symbols, and appreciate the artistry behind its creation. Join us as we explore the depths of wiring diagram topics, empowering you to navigate the circuits of innovation with confidence and clarity.

Top 10 Points about Bobcat 6Wiring Diagram :

  • Understanding the Basics of the Bobcat 6 Wiring Diagram
  • Key Components in the Bobcat 6 Wiring Diagram
  • Interpreting Symbols and Codes in the Bobcat 6 Wiring Diagram
  • Common Issues and Troubleshooting in Bobcat 6 Wiring
  • Best Practices for Implementing Bobcat 6 Wiring Diagrams
  • Applications of Bobcat 6 Wiring Diagrams in Various Industries
  • Comparing Bobcat 6 Wiring Diagrams with Other Wiring Standards
  • Future Trends and Innovations in Bobcat 6 Wiring Technology
  • How to Read and Use Bobcat 6 Wiring Diagrams Effectively
  • Resources and References for Bobcat 6 Wiring Diagrams

Several facts about Bobcat 6Wiring Diagram

Understanding the Basics of the Bobcat 6 Wiring Diagram

Understanding the Basics of the Bobcat 6 Wiring Diagram

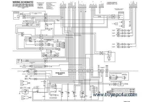
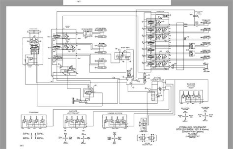
The Bobcat 6 wiring diagram is a crucial tool for anyone working with electrical systems. It provides a visual representation of the electrical connections within a system, helping technicians understand how components are connected and how they should function together. At its core, a wiring diagram uses symbols to represent components and their connections, making it easier to follow the flow of electricity through a circuit.

Key Components in the Bobcat 6 Wiring Diagram

Key Components in the Bobcat 6 Wiring Diagram

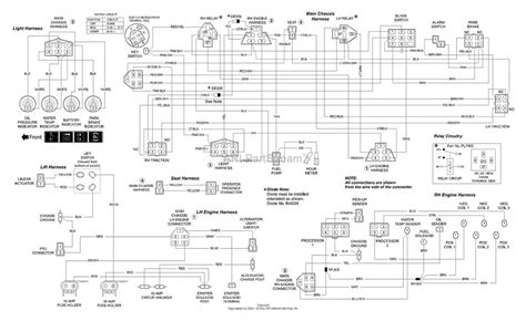
Several key components are typically found in a Bobcat 6 wiring diagram. These include power sources, such as batteries or generators, which provide the electricity needed to power the system. Switches and relays are used to control the flow of electricity, directing it to different components as needed. Fuses and circuit breakers protect the system from electrical overload, while wires and connectors provide the pathways for electricity to flow between components.

Interpreting Symbols and Codes in the Bobcat 6 Wiring Diagram

Interpreting Symbols and Codes in the Bobcat 6 Wiring Diagram

One of the most challenging aspects of reading a Bobcat 6 wiring diagram is understanding the symbols and codes used to represent components. While the symbols may vary depending on the manufacturer, there are some common symbols that are typically used in these diagrams. For example, a straight line represents a wire, while a zigzag line indicates a resistor. Understanding these symbols is essential for accurately interpreting the diagram and troubleshooting electrical issues.

Common Issues and Troubleshooting in Bobcat 6 Wiring

Common Issues and Troubleshooting in Bobcat 6 Wiring

Like any electrical system, Bobcat 6 wiring can experience a variety of issues. These can range from simple problems, such as a blown fuse or loose connection, to more complex issues like a short circuit or damaged component. Troubleshooting these issues requires a systematic approach, starting with a thorough inspection of the wiring diagram to identify potential problem areas. From there, technicians can use tools like multimeters to test the continuity of wires and the functionality of components, helping them pinpoint and resolve the issue.

Best Practices for Implementing Bobcat 6 Wiring Diagrams

Best Practices for Implementing Bobcat 6 Wiring Diagrams

When working with Bobcat 6 wiring diagrams, there are several best practices that technicians should follow to ensure a safe and effective installation. First and foremost, it's essential to carefully study the diagram before beginning any work, ensuring that you understand how the system is supposed to be wired. Additionally, it's crucial to use the correct tools and materials for the job, as using the wrong ones can lead to electrical issues down the line. Finally, it's important to test the system thoroughly after installation to ensure that everything is working correctly.

Applications of Bobcat 6 Wiring Diagrams in Various Industries

Applications of Bobcat 6 Wiring Diagrams in Various Industries

Bobcat 6 wiring diagrams are used in a wide range of industries, from automotive and aerospace to telecommunications and construction. In the automotive industry, these diagrams are used to wire vehicles' electrical systems, ensuring that everything from the engine to the lights functions correctly. In the aerospace industry, they are used to wire aircraft, while in the telecommunications industry, they are used to wire phone and data systems. Regardless of the industry, Bobcat 6 wiring diagrams play a crucial role in ensuring that electrical systems function correctly and safely.

Comparing Bobcat 6 Wiring Diagrams with Other Wiring Standards

Comparing Bobcat 6 Wiring Diagrams with Other Wiring Standards

While Bobcat 6 wiring diagrams are widely used and respected, they are not the only wiring standard available. Other standards, such as Cat5 and Cat6, are also used in various industries. Each standard has its own advantages and disadvantages, so it's essential to consider your specific needs when choosing a wiring standard. However, Bobcat 6 wiring diagrams are known for their reliability and versatility, making them a popular choice for many applications.

Future Trends and Innovations in Bobcat 6 Wiring Technology

Future Trends and Innovations in Bobcat 6 Wiring Technology

As technology continues to advance, so too does the field of Bobcat 6 wiring technology. Innovations such as wireless charging and smart wiring systems are revolutionizing the way we think about electrical systems, making them more efficient, reliable, and easy to use. Additionally, advancements in materials science are leading to the development of new, more durable wiring materials, further improving the reliability of electrical systems. As these trends continue, it's likely that Bobcat 6 wiring diagrams will play an even more significant role in shaping the future of electrical engineering.

How to Read and Use Bobcat 6 Wiring Diagrams Effectively

How to Read and Use Bobcat 6 Wiring Diagrams EffectivelyBobcat 6Wiring Diagram in Professional's eye

Introduction

Introduction

Wiring diagrams are essential tools in the field of electrical engineering, providing a visual representation of electrical circuits. They use symbols to represent components and their connections, helping technicians understand how a system is wired. One such diagram is the Bobcat 6 wiring diagram, which is used in various industries for wiring purposes. This article explores the basics of wiring diagrams, the key components in the Bobcat 6 wiring diagram, and how to interpret symbols and codes in these diagrams. It also discusses common issues and troubleshooting tips, best practices for implementing Bobcat 6 wiring diagrams, and their applications in different industries.

Understanding the Basics of Wiring Diagrams

Understanding the Basics of Wiring Diagrams

Wiring diagrams are visual representations of electrical circuits, showing how components are connected. They use symbols to represent components such as batteries, switches, and wires, making it easier to understand complex circuits. Bobcat 6 wiring diagrams are no different, providing a detailed view of the electrical systems they represent. These diagrams are essential for anyone working with electrical systems, as they provide a roadmap for wiring installations and repairs. By understanding the basics of wiring diagrams, technicians can effectively navigate electrical systems and troubleshoot issues when they arise.

Key Components in Wiring Diagrams

Key Components in Wiring Diagrams

Wiring diagrams consist of several key components, each representing a different part of the electrical system. These components include power sources, switches, relays, fuses, circuit breakers, wires, and connectors. Each component plays a crucial role in the overall function of the electrical system, and understanding how they work together is essential for effective troubleshooting and repair. Bobcat 6 wiring diagrams typically include all of these components, providing a comprehensive view of the system they represent. By identifying and understanding these components, technicians can quickly diagnose and resolve electrical issues.

Interpreting Symbols and Codes in Wiring Diagrams

Interpreting Symbols and Codes in Wiring Diagrams

Wiring diagrams use symbols and codes to represent components and their connections. While these symbols may vary depending on the manufacturer, there are some common symbols that are typically used. For example, a straight line represents a wire, while a zigzag line indicates a resistor. Understanding these symbols is essential for accurately interpreting a wiring diagram. Bobcat 6 wiring diagrams are no exception, and technicians must be familiar with these symbols to effectively use these diagrams in their work.

Common Issues and Troubleshooting in Wiring

Common Issues and Troubleshooting in Wiring

Wiring can experience a variety of issues, ranging from simple problems like a blown fuse to more complex issues like a short circuit. Troubleshooting these issues requires a systematic approach, starting with a thorough inspection of the wiring diagram. Bobcat 6 wiring diagrams can help technicians identify potential problem areas and guide them in troubleshooting and repairing the electrical system. By following the wiring diagram and using tools like multimeters, technicians can quickly diagnose and resolve wiring issues.

Best Practices for Implementing Wiring Diagrams

Best Practices for Implementing Wiring Diagrams

When working with wiring diagrams, there are several best practices that technicians should follow to ensure a safe and effective installation. First, it's essential to carefully study the diagram before beginning any work to understand how the system is supposed to be wired. Second, use the correct tools and materials for the job to prevent electrical issues down the line. Finally, test the system thoroughly after installation to ensure everything is working correctly. Following these best practices can help ensure a successful wiring installation.

Applications of Wiring Diagrams in Various Industries

Applications of Wiring Diagrams in Various Industries

Wiring diagrams are used in various industries for wiring purposes. In the automotive industry, they are used to wire vehicles' electrical systems. In the aerospace industry, they are used to wire aircraft. In the telecommunications industry, they are used to wire phone and data systems. Regardless of the industry, wiring diagrams play a crucial role in ensuring that electrical systems function correctly and safely. Bobcat 6 wiring diagrams are widely used in these industries due to their reliability and versatility.

Comparing Wiring Diagrams with Other Wiring Standards

Comparing Wiring Diagrams with Other Wiring Standards

While wiring diagrams are widely used and respected, they are not the only wiring standard available. Other standards, such as Cat5 and Cat6, are also used in various industries. Each standard has its own advantages and disadvantages, so it's essential to consider your specific needs when choosing a wiring standard. However, wiring diagrams like Bobcat 6 wiring diagrams are known for their reliability and versatility, making them a popular choice for many applications.

Future Trends and Innovations in Wiring Technology

Future Trends and Innovations in Wiring Technology

As technology continues to advance, so too does the field of wiring technology. Innovations such as wireless charging and smart wiring systems

Point of Views : Bobcat 6Wiring Diagram
  • Wiring diagrams are indispensable tools in various industries, offering a visual representation of complex electrical systems. One such diagram, the Bobcat 6 wiring diagram, serves as a blueprint for connecting electrical components in a precise and efficient manner.
  • These diagrams use symbols and codes to represent different components, enabling technicians to understand the wiring layout and troubleshoot issues effectively.
  • Bobcat 6 wiring diagrams are particularly useful for their clarity and comprehensive detailing of wiring configurations, making them a preferred choice in industries where precision is paramount.
  • By following Bobcat 6 wiring diagrams meticulously, technicians can ensure that electrical systems are wired correctly, promoting safety and efficiency.
  • In conclusion, wiring diagrams like the Bobcat 6 wiring diagram are invaluable tools that streamline the wiring process and enhance the functionality of electrical systems.
Conclusion :

Thank you for exploring the world of Bobcat 6 wiring diagrams with us. We hope you found our articles informative and insightful. As you delve deeper into the realm of electrical systems, remember the importance of wiring diagrams in understanding and troubleshooting complex circuits. Whether you're a seasoned technician or a novice enthusiast, Bobcat 6 wiring diagrams are invaluable tools that can help you navigate the intricacies of electrical systems with confidence and precision.

Stay tuned for more articles on wiring diagram topics, where we'll continue to explore the fascinating world of electrical engineering. Whether you're interested in learning about key components, interpreting symbols and codes, or staying updated on the latest trends and innovations, our goal is to provide you with the knowledge and insights you need to excel in your field. Remember, wiring diagrams are not just blueprints; they're the keys that unlock the mysteries of electrical systems.

Questions and Answer for Bobcat 6Wiring Diagram

People Also Ask About Bobcat 6 Wiring Diagrams

  • What is a Bobcat 6 wiring diagram?
  • A Bobcat 6 wiring diagram is a detailed schematic that illustrates the electrical connections and components of a Bobcat 6 system. It helps technicians understand how the system is wired and aids in troubleshooting electrical issues.

  • How do I read a Bobcat 6 wiring diagram?
  • To read a Bobcat 6 wiring diagram, start by familiarizing yourself with the symbols used to represent components such as wires, switches, and relays. Then, follow the lines and connections to understand how components are connected and how electricity flows through the system.

  • Why are Bobcat 6 wiring diagrams important?
  • Bobcat 6 wiring diagrams are important because they provide a visual representation of complex electrical systems. They help technicians understand how components are connected, making it easier to diagnose and repair electrical issues.

  • Where can I find a Bobcat 6 wiring diagram?
  • You can find a Bobcat 6 wiring diagram in the service manual for your Bobcat 6 system. The manual will include detailed diagrams and instructions for wiring your system correctly.

Label :Bobcat 6, Wiring Diagrams, Electrical Systems, Troubleshooting

Keyword : Bobcat 6Wiring Diagram

0 komentar